| Art. No. | Material | Function | Supply size | Weight (Kg/m) |
|---|---|---|---|---|
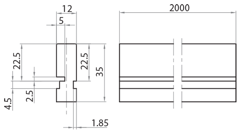
| 904513 | black polyzene | for metal sheet fixing, belt guide and wall action | 2 m bars | 0,325 |
| Art. No. | Material | Function | Supply size | Weight (Kg/m) |
|---|---|---|---|---|
| 904513 | black polyzene | for metal sheet fixing, belt guide and wall action | 2 m bars | 0,325 |


